EN
产品中心
Product Center
当前位置: 首页 - 产品中心 - 直流电机 - 42ZY85
42ZY85
产品特点和用途 Description of The Product 直径 42mm 的永磁直流电动机,密封结构,适合于各种要求低噪音的使...
产品详情
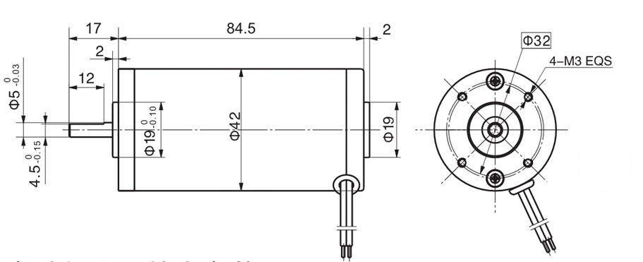
外形参考图
  • 产品特点和用途 Description of The Product 

直径 42mm 的永磁直流电动机,密封结构,适合于各种要求低噪音的使用场合。

42MM OD PMDC motor, totally enclosed, used in occasions which require motors with low noise.


  • 电动机主要技术参数 Motor Technical Data

电机型号

Type

额定电压

Rated 

Voltage 

DVC

空载转速

No-load

speed 

r/min

空载电流

No-load 

current

A

额定转速

Rated

speed 

r/min

额定转矩

Rated

Torque 

mN.m

输出功率

Output 

power

W

额定电流

Rated 

current

A

堵转转矩

Stall

Torque 

mN.m

堵转电流

Stall 

Current

A

42ZY85-2430

24

3000

0.20

2400

70

15

1.2

280

3.7

42ZY85-2436

24

3600

0.30

2850

80

23

1.5

290

4.7



1497522261828602.png

产品推荐
product recommendation
在线客服