产品特点和用途 Description of The Product
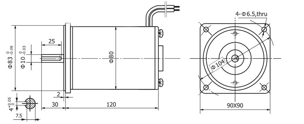
直径 80mm 的永磁直流电动机,密封结构,适合于各种要求低噪音的使用场合。
80MM OD PMDC motor, totally enclosed, used in occasions which require motors with low noise.
电动机主要技术参数 Motor Technical Data
电机型号 TYPE | 额定电压 Rated voltage VDC | 空载转速 No-load speed r/min | 空载电流 No-load current A | 额定转速 Rated speed r/min | 额定转矩 Rated torque mN.m | 输出功率 Output Power W | 额定电流 Rated current A | 堵转转矩 Stall torque mN.m | 堵转电流 Stall current A |
80ZY115-1234 | 12 | 3400 | 1.5 | 2890 | 0.14 | 42 | 5.0 | 0.65 | 22 |
80ZY115-2420 | 24 | 2000 | 0.3 | 1700 | 0.32 | 57 | 3.5 | 1.5 | 16 |
80ZY115-2430 | 24 | 3000 | 0.5 | 2600 | 0.44 | 120 | 7.5 | 2.0 | 33 |
在线客服