EN
产品中心
Product Center
当前位置: 首页 - 产品中心 - 混合式步进行星齿轮减速电机 - 42JXGS100K/42STH
42JXGS100K/42STH
行星齿轮减速器 Planetary Gearbox内齿圈材料Ring material金属Metal输出轴轴承形式Bearing at output滚动...
  • 内齿圈材质:

    42JXGS100K/42STH:金属材质

  • 直径:Φ42mm行星减速器

  • 允许转矩范围:3N.m~10N.m


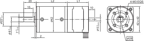
产品详情
外形参考图
  • 行星齿轮减速器 Planetary Gearbox

内齿圈材料

Ring material

金属Metal

输出轴轴承形式

Bearing at output

滚动轴承Ball bearings

最大允许径向负载(离法兰 10mm 处)

Max. Radial load(10mm from flange)

≤50N

最大允许轴向负载Max. shaft axial load

≤30N

径向间隙(测量点尽量接近法兰)

Radial play of shaft (near to flange)

≤0.07mm

轴向间隙

Axial play of shaft

≤0.3 mm

背隙(无负载时)Backlash at no-load

≤1.5°


  • 42STH 混合式步进电机性能 42STH Hybrid Stepping Motor Specifications


Model No.

额定电压Rated Voltage

每相电流

Current

/Phase

每相电阻

Resistance

/Phase

电感

Inductance

/Phase

保持转矩Holding Torgue

引出线数# of Leads

转动惯量Rotor Inertia

重 量

Weight

长度L1 Length L1

适配减速比Max. Gear Ratio

单轴 Single Shaft

V

A

Ω

mH

g.cm


g-m²

g

mm


42STH33-1334A

2.8

1.33

2.1

2.5

2.2

4

35

0.22

34


42STH38-1684A

2.8

1.68

1.65

3.2

3.6

4

54

0.28

40

≤1:91


  • 40JXGS100K 行星减速器,性能40JXGS100K Planetary Gearbox Specifications

减速比 Reduction ratio

3.82

4.88

15

19

24

56

71

91

116

212

271

346

减速级数 Number of gear trains

1

2

3

4

减速器长度(L2) Length(L2) mm

36.9

47.4

57.7

68.0

最大额定转矩 kg. cm

Max. rated torque

30

50

80

100

瞬间允许转矩 kg.cm

Short time permissible torque

90

150

240

300

效率 Efficiency %

90%

81%

73%

66%

重量 Weight g

200

270

330

410


  • 矩频曲线   Frequency-torque  Characteristics

46.png

45.png

产品推荐
product recommendation
56JXS300K/57STH

内齿圈材质:

56JXS300K/57STH:金属材质

直径:Φ56mm标准型减速器(带油封)

允许转矩范围:9.0N.m~30N.m


查看详情
42JXGTS200K/42STH

内齿圈材质:

42JXGTS200K/42STH:金属材质

直径:Φ42mm行星减速器

允许转矩范围:6N.m~20N.m

查看详情
42JX150K/42STH

内齿圈材质:

42JX150K/42STH:金属材质

直径:Φ42mm行星减速器

允许转矩范围:3N.m~10N.m



查看详情
36JXES60K/35STH

内齿圈材质:

36JXES60K/35STH:金属材质

36JXFS60K/35STH:粉末金属

直径:Φ36mm标准型减速器

允许转矩范围:1.8N.m~6.0N.m



查看详情
在线客服