无刷电动机主要技术参数 Motor Technical Data
电机型号 TYPE | 极数 Number of poles | 相数 Number of phase | 额定电压 Rated voltage VDC | 空载转速 No-load speed r/min | 空载电流 No-load current mA | 额定转矩 Rated torque mN.m | 额定转速 Rated speed r/min | 额定电流 Rated current mA | 额定功率 Rated Power W |
36ZWNP40-1240 | 4 | 3 | 12 | 4000 | 400 | 15 | 3000 | 850 | 4.7 |
36ZWNP40-2440 | 4 | 3 | 24 | 4000 | 200 | 20 | 3000 | 550 | 6.3 |
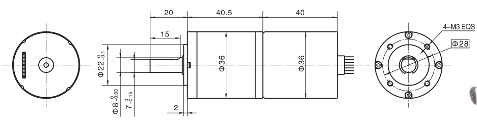
无刷行星齿轮减速电机主要技术参数 Brushless Gear Motor Technical Data
配置36ZWNP40-1240无刷直流电机(36ZWNP40-1240 BLDC Motor)
减速比 Reduction ratio | 3.7 | 5.2 | 14 | 19 | 27 | 51 | 71 | 100 | 139 | 189 | 264 | 369 |
减速级数 Number of gear trains | 1 | 1 | 2 | 2 | 2 | 3 | 3 | 3 | 3 | 4 | 4 | 4 |
减速器长度(L) Length(L) mm | 26.5 | 26.5 | 33.6 | 33.6 | 33.6 | 40.5 | 40.5 | 40.5 | 40.5 | 47.4 | 47.4 | 47.4 |
空载速度 No-load speed r/min | 1078 | 772 | 286 | 211 | 148 | 78 | 56 | 40 | 29 | 21 | 15 | 11 |
额定转速 Rated speed rAnin | 809 | 579 | 214 | 158 | 111 | 59 | 42 | 30 | 22 | 16 | 11 | 8.1 |
额定转矩 Rated torque N.m | 0.05 | 0.07 | 0.17 | 0.23 | 0.33 | 0.56 | 0.78 | 1.1 | 1.5 | 1.8 | 2.6 | 3 |
最大瞬间允许负载 N.m Max. permissible load in a short time | 1.0 | 1.0 | 3.5 | 3.5 | 3.5 | 7.5 | 7.5 | 7.5 | 7.5 | 9 | 9 | 9 |
配置36ZWNP40-2440无刷直流电机 (36ZWNP40-2440 BLDC Motor)
减速比 Reduction ratio | 3.7 | 5.2 | 14 | 19 | 27 | 51 | 71 | 100 | 139 | 189 | 264 | 369 |
减速级数 Number of gear trains | 1 | 1 | 2 | 2 | 2 | 3 | 3 | 3 | 3 | 4 | 4 | 4 |
减速器长度(L) Length(L) mm | 26.5 | 26.5 | 33.6 | 33.6 | 33.6 | 40.5 | 40.5 | 40.5 | 40.5 | 47.4 | 47.4 | 47.4 |
空载速度 No-load speed r/min | 1078 | 772 | 286 | 211 | 148 | 78 | 56 | 40 | 29 | 21 | 15 | 11 |
额定转速 Rated speed rAnin | 809 | 579 | 214 | 158 | 111 | 59 | 42 | 30 | 22 | 16 | 11 | 8.1 |
额定转矩 Rated torque N.m | 0.067 | 0.093 | 0.23 | 0.31 | 0.44 | 0.74 | 1.0 | 1.5 | 2.0 | 2.5 | 3 | 3 |
最大瞬间允许负载 N.m Max. permissible load in a short time | 1.0 | 1.0 | 3.5 | 3.5 | 3.5 | 7.5 | 7.5 | 7.5 | 7.5 | 9 | 9 | 9 |
接线方式 Wire Diagram

在线客服