EN
产品中心
Product Center
当前位置: 首页 - 产品中心 - 永磁直流行星齿轮减速电机 - 42JX150K/42ZY66
42JX150K/42ZY66
电动机主要技术参数 Motor Technical Data电机型号TYPE额定电压Rated voltageVDC空载转速No-loadspeedr/min...
  • 内齿圈材质:

    42JX150K/42ZY66:金属材质

    42JX150K/42ZY66:粉末金属

  • 直径:Φ42mm加强型减速器

  • 允许转矩范围:2N.m~15N.m


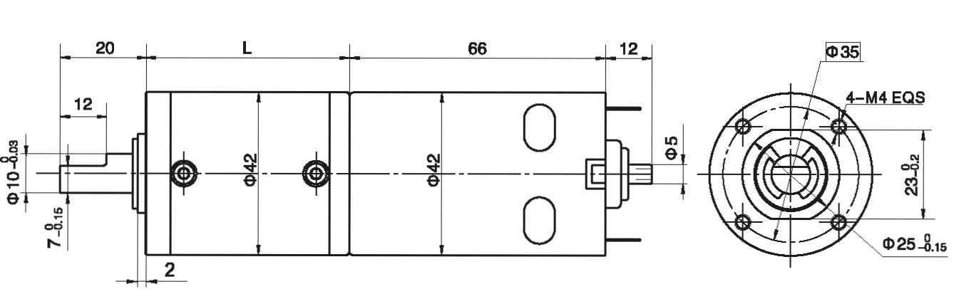
产品详情
外形参考图
  • 电动机主要技术参数 Motor Technical Data

电机型号

TYPE

额定电压

Rated

 voltage

VDC

空载转速

No-load

speed

r/min

空载电流

 No-load

current

A

额定转速

Rated

speed

r/min

额定转矩

Rated

 torque

mN.m

输出功率 Output

 power

W

额定电流

Rated

 current

A

堵转力矩

Stall

Torque

 mN.m

堵转电流

 Stall

 current

A

42ZY66-1257

12

5700

0.8

4800

45

25

3.0

280

15.2

42ZY66-1277

12

7700

1.3

6500

65

35

5.0

240

20.5


  • 齿轮减速电机主要技术参数 Gear Motor Technical Data

型号:42ZY66-1257(42ZY66-1257 DC Motor)

减速比      Reduction ratio

3.5

14

17

21

49

61

84

104

126

172

212

294

504

减速级数    Number of gear trains

1

2

2

2

3

3

3

3

3

4

4

4

4

减速器长度(L)    Length(L)           mm

32.5

39.2

39.2

39.2

46

46

46

46

46

52.5

52.5

52.5

52.5

空载转速    No-load speed     r/min

1628

407

335

271

116

93

68

55

45

33

27

19

11

额定转速    Rated speed         r/min

1371

343

285

229

98

79

57

47

38

28

23

16

9.5

额定转矩    Rated torque         N.m

0.14

0.51

0.61

0.76

1.6

2.0

2.8

3.4

4.1

5.1

6.3

8.7

15

最大瞬间允许负载           N.m

Max. permissible load in a short time

3

12

12

12

25

25

25

25

25

30

30

30

30

型号:42ZY66-1277(42ZY66-1277 DC Motor)

减速比      Reduction ratio

3.5

14

17

21

49

61

84

104

126

172

212

294

504

减速级数    Number of gear trains

1

2

2

2

3

3

3

3

3

4

4

4

4

减速器长度(L)    Length(L)           mm

32.5

39.2

39.2

39.2

46

46

46

46

46

52.5

52.5

52.5

52.5

空载转速    No-load speed     r/min

1628

407

335

271

116

93

68

55

45

33

27

19

11

额定转速    Rated speed         r/min

1371

343

285

229

98

79

57

47

38

28

23

16

9.5

额定转矩    Rated torque         N.m

0.14

0.51

0.61

0.76

1.6

2.0

2.8

3.4

4.1

5.1

6.3

8.7

15

最大瞬间允许负载           N.m

Max. permissible load in a short time

3

12

12

12

25

25

25

25

25

30

30

30

30


  • 电动机特性图 Motor Characteristic Figure

blob.png


图片1.png

产品推荐
product recommendation
56JX300K/60ZY105

内齿圈材质:

56JX300K/60ZY105:金属材质

直径:Φ56mm加强型减速器

允许转矩范围:2N.m~20N.m


查看详情
36JXE30K/36ZY57

内齿圈材质:

36JXE30K/36ZY57:金属材质

36JXF30K/36ZY57:粉末金属

直径:Φ36mm行星减速器

允许转矩范围:0.03N.m~0.3N.m


查看详情
45JX100K/45ZY68

内齿圈材质:

45JX100K/45ZYN68:金属材质

直径:Φ45mm加强型减速器

允许转矩范围:1N.m~10N.m


查看详情
56JX300K/63ZY125
  • 内齿圈材质:

    56JX300K/63ZY125:金属材质

  • 直径:Φ56mm加强型减速器

  • 允许转矩范围:2N.m~30N.m


查看详情
在线客服