EN
产品中心
Product Center
当前位置: 首页 - 产品中心 - 混合式步进行星齿轮减速电机 - 42JXGTS200K/42STH
42JXGTS200K/42STH
行星齿轮减速器 Planetary Gearbox内齿圈材料Ring material金属Metal输出轴轴承形式Bearing at output滚动...
  • 内齿圈材质:

    42JXGTS200K/42STH:金属材质

  • 直径:Φ42mm行星减速器

  • 允许转矩范围:6N.m~20N.m


产品详情
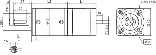
外形参考图
  • 行星齿轮减速器 Planetary Gearbox

内齿圈材料

Ring material

金属Metal

输出轴轴承形式

Bearing at output

滚动轴承Ball bearings

最大允许径向负载(离法兰 12mm 处)

Max. Radial load(12mm from flange)

≤80N

最大允许轴向负载Max. shaft axial load

≤30N

径向间隙(测量点尽量接近法兰)

Radial play of shaft (near to flange)

≤0.06 mm

轴向间隙

Axial play of shaft

≤0.3 mm

背隙(无负载时)Backlash at no-load

≤1.5°


  • 42STH 混合式步进电机性能 42STH  Hybrid Stepping Motor Specifications

Model No.

额定电压Rated Voltage

每相电流

Current

/Phase

每相电阻

Resistance

/Phase

电感

Inductance

/Phase

保持转矩Holding Torgue

引出线数# of Leads

转动惯量Rotor Inertia

重 量

Weight

长度L1 Length L1

适配减速比Max. Gear Ratio

单轴 Single Shaft

V

A

Ω

mH

g.cm


g-m²

g

mm


42STH38-1684A

2.8

1.68

1.65

3.2

3.6

4

54

0.28

40

≤ 1:247

42STH47-1684A

2.8

1.68

1.65

2.8

4.4

4

68

0.35

48

≤1:106


  • 42JXGTS200K行星减速器性能  42JXGTS200K Planetary Gearbox Specification

减速比 Reduction ratio

4.44

17

22

65

83

106

247

316

403

515

减速级数 Number of gear trains

1

2

3

4

减速器长度(L2) Length(L2) mm

38.2

49.7

60.0

70.3

最大额定转矩 kg. cm

Max. rated torque

60

100

160

200

瞬间允许转矩 kg.cm

Short time permissible torque

180

300

480

600

效率 Efficiency %

90%

81%

73%

66%

重量 Weight g

350

450

550

650


  • 矩频曲线  Frequency-torque Characteristics

43.png

42.png

产品推荐
product recommendation
22JXS20K/20STH

内齿圈材质:

22JXS20K/20STH:金属材质

直径:Φ22mm标准型减速器

允许转矩范围:0.6N.m~2.0N.m


查看详情
56JXS300K/57STH

内齿圈材质:

56JXS300K/57STH:金属材质

直径:Φ56mm标准型减速器(带油封)

允许转矩范围:9.0N.m~30N.m


查看详情
36JXES60K/42STH

内齿圈材质:

36JXES60K/42STH:金属材质

36JXFS60K/42STH:粉末金属

直径:Φ36mm行星减速器

允许转矩范围:1.8N.m~6.0N.m



查看详情
28JXS40K/28STH

内齿圈材质:

28JXS40K/28STH:金属材质

直径:Φ28mm行星减速器

允许转矩范围:1.2N.m~4.0N.m



查看详情
在线客服