EN
产品中心
Product Center
当前位置: 首页 - 产品中心 - 永磁直流蜗轮减速电机 - 63JW/63ZY105
63JW/63ZY105
产品特点和用途 Description of The Product1、适合减速器输出轴与电机成 90。的使用场合。2、可以制造 12...
  • 三相蜗轮减速电机40-90W

    63JW/63ZY105

  • 允许转矩范围:20N.m


产品详情
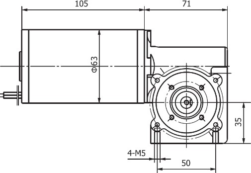
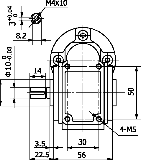
外形参考图
  •  产品特点和用途 Description of The Product

1、适合减速器输出轴与电机成 90。的使用场合。

2、可以制造 12VDC 的产品,电动机转速根据需要可以调整。

3、电动机可以带编码器和刹车。

1、Suitable application: gearbox and motor output shafts form a right angle. 2、12VDC is available, motor speed is adjustable upon request.

3、Encoder & brake is available upon request.


  • 电动机主要技术参数  Motor Technical Data

电机型号

Type

额定电压

Rated 

voltage VDC

空载转速

No-load 

speed

 r/min

空载电流

No-load 

current

A

额定转速

Rated 

speed 

r/min

额定转矩

Rated 

Torque 

N.m

输出功率

Output 

power

W

额定电流

Rated 

current

A

堵转转矩

Stall 

Torque 

N.m

堵转电流

Stall 

current

A

63ZY105-2420

24

2000

0.32

1550

0.125

20

1.6

0.55

6.0

63ZY105-2430

24

3000

0.40

2500

0.120

30

2.2

0.72

10.8


  • 齿轮减速电机主要技术参数 Gear Motor Technical Data

配置 63ZY105-2420 直流电机 (63ZY105-2420 DC Motor)

减速比 Reduction ratio

50

30

15

10

蜗杆头数 Number of threads

1

1

2

3

空载转速 No-load speed r/min

40

66

133

200

额定转速 Rated speed r/min

31

51

103

250

额定转矩 Rated torque N.m

4.3

2.6

1.5

0.85

允许转矩 Permissible load N.m

10

8.0

5.0

3.0


配置 63ZY105-2430 直流电机 (63ZY105-2430 DC Motor)

减速比 Reduction ratio

50

30

15

10

蜗杆头数 Number of threads

1

1

2

3

空载转速 No-load speed r/min

60

100

200

300

额定转速 Rated speed r/min

50

83

166

250

额定转矩 Rated torque N.m

4.3

2.6

1.5

0.85

允许转矩 Permissible load N.m

10

8.0

5.0

3.0



图片1.png              图片2.png

产品推荐
product recommendation
90JW/JB/80ZY115

永磁直流蜗轮减速电机

90JW/JB/80ZY115

允许转矩范围:20N.m


查看详情
63JW/63ZY125

永磁直流蜗轮减速电机

63JW/63ZY125

允许转矩范围:8N.m



查看详情
90JW/83ZY125

永磁直流蜗轮减速电机

90JW/83ZY125

允许转矩范围:20N.m


查看详情
90JW/60JX/60ZY

永磁直流蜗轮减速电机

90JW/60JX/60ZY

允许转矩范围:20N.m


查看详情
在线客服