EN
产品中心
Product Center
当前位置: 首页 - 产品中心 - 永磁直流蜗轮减速电机 - 90JW/60JX/60ZY
90JW/60JX/60ZY
产品特点和用途 Description of The Product混合配置型,在蜗轮减速器的前面配置了 60JX 型的齿轮减速器、60Z...
  • 永磁直流蜗轮减速电机

    90JW/60JX/60ZY

  • 允许转矩范围:20N.m


产品详情
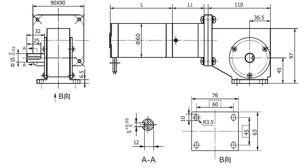
外形参考图
  • 产品特点和用途 Description of The Product

混合配置型,在蜗轮减速器的前面配置了 60JX 型的齿轮减速器、60ZY 的直流电机, 以增加总的传动比,获得更低的转速。总减速比是两种减速器减速比的乘积。

Mixed configuration, 60OD planetary gearbox and 600D PMDC motor are equipped at the front of worm gearbox to increase total drive ratio and achieve lower speed. Total ratio equals to the product of the two gear ratios.


  • 齿轮减速电机主要技术参数 Gear Motor Technical Data

    额定转速 Rated speed (r/min)

     

    14

     

    11

     

    8

     

    6

     

    4

     

    2

    额定转矩 Rated torque (N.m)

    9

    12

    20

    20

    20

    20

    蜗轮减速器减速比

    Worm Gearbox Ratio

    1:25

    1:32

    1:25

    1:25

    1:25

    1:25

    行星齿轮减速比

    Planetary Gearbox Ratio

     

    1:4.25

     

    1:4.25

     

    1:13

     

    1:18

     

    1:15

     

    1:47

    总减速比

    Combined Ratio

     

    1:106

     

    1:136

     

    1:325

     

    1:450

     

    1:375

     

    1:1175

    配置的电动机 DC motor

     

    60ZY105-2420

     

    60ZY105-2420

     

    60ZY105-2430

     

    60ZY105-2430

     

    60ZY105-2420

     

    60ZY75-2430

    电机长度 L (mm)

    Motor Length

     

    110

     

    110

     

    110

     

    110

     

    110

     

    80

    行星减速器长度 L1 (mm)

    Planetary Gearbox Length

     

    45.5

     

    45.5

     

    45.5

     

    45.5

     

    45.5

     

    56.5



图片5.png

说明:产品出厂时左出轴是常规配置,如要求右出轴需在订货时特别说明。

Remarks:Standard product is left output shaft, right output shaft is available upon request.


产品推荐
product recommendation
90JW/JB/80ZY115

永磁直流蜗轮减速电机

90JW/JB/80ZY115

允许转矩范围:20N.m


查看详情
63JW/63ZY125

永磁直流蜗轮减速电机

63JW/63ZY125

允许转矩范围:8N.m



查看详情
90JW/83ZY125

永磁直流蜗轮减速电机

90JW/83ZY125

允许转矩范围:20N.m


查看详情
63JW/63ZY105

三相蜗轮减速电机40-90W

63JW/63ZY105

允许转矩范围:20N.m


查看详情
在线客服