EN
产品中心
Product Center
当前位置: 首页 - 产品中心 - 永磁直流蜗轮减速电机 - 90JW/JB/80ZY115
90JW/JB/80ZY115
产品特点和用途 Description of The Product混合配置型,在蜗轮减速器的前面配置了 1:10 的JB 型的齿轮减速器...
  • 永磁直流蜗轮减速电机


  • 90JW/JB/80ZY115

  • 允许转矩范围:20N.m


产品详情
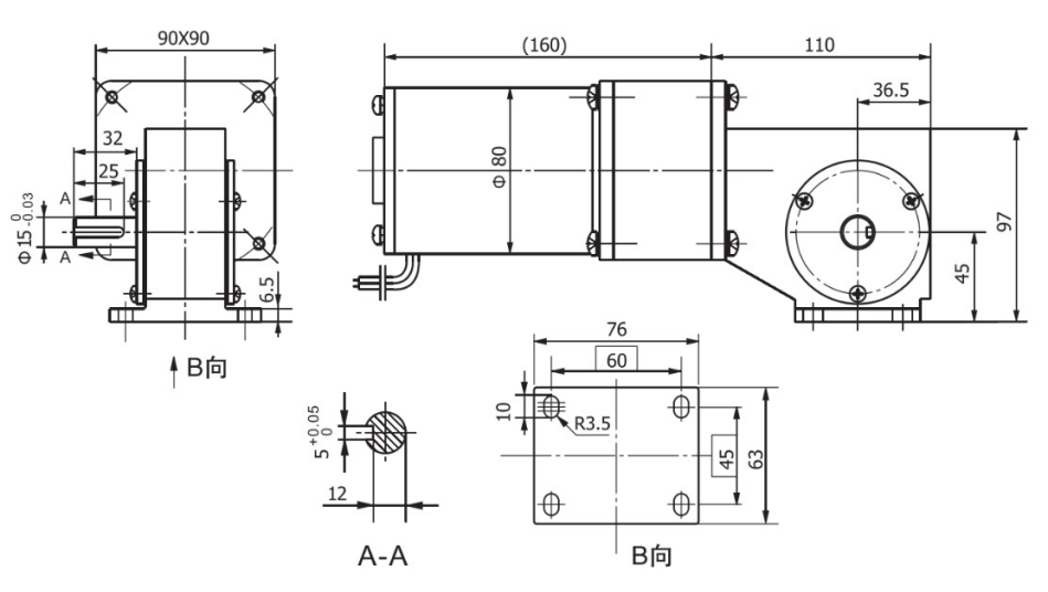
外形参考图
  • 产品特点和用途 Description of The Product

混合配置型,在蜗轮减速器的前面配置了 1:10 的JB 型的齿轮减速器,以增加总的传动 比,获得更低的转速。总减速比是两种减速器减速比的乘积。

Mixed configuration, 1:10 eccentric shaft gearbox is equipped at the front of worm gearbox to increase total drive ratio and achieve lower speed. Total ratio equals to the product of the two gear ratios.


  • 电动机主要技术参数  Motor Technical Data

电机型号

Type

额定电压

Rated

voltage

VDC

空载转速

No-load

speed

r/min

空载电流

No-load 

current

A

额定转速

Rated

speed

r/min

额定转矩

Rated 

Torque 

mN.m

输出功率

Output 

power

W

额定电流

Rated 

current

A

堵转转矩

Stall

torque

mN.m

堵转电流

Stall 

Current

A

80ZY115-1225

12

2500

1.5

2000

0.4

84

10

1.5

30


  • 齿轮减速电机主要技术参数 Gear Motor Technical Data

配置 80ZY115-1225 直流电机(80ZY115-1225 DC motor)

减速比Reduction ratio

125

160

250

蜗杆头数  Number of threads

2

2

1

空载转速  No-load speed   r/min 

20

16

10

额定转速  Rated speed  r/min

16

13

8

额定转矩  Rated torque  N.m

16

20

20

允许转矩  Permissible load  N.m

40

40

40



image.png

说明:产品出厂时左出轴是常规配置,如要求右出轴需在订货时特别说明。

Remarks:Standard product is left output shaft, right output shaft is available upon request.


产品推荐
product recommendation
63JW/63ZY105

三相蜗轮减速电机40-90W

63JW/63ZY105

允许转矩范围:20N.m


查看详情
63JW/63ZY125

永磁直流蜗轮减速电机

63JW/63ZY125

允许转矩范围:8N.m



查看详情
90JW/83ZY125

永磁直流蜗轮减速电机

90JW/83ZY125

允许转矩范围:20N.m


查看详情
90JW/60JX/60ZY

永磁直流蜗轮减速电机

90JW/60JX/60ZY

允许转矩范围:20N.m


查看详情
在线客服